| Availability: | |
|---|---|
| Quantity: | |
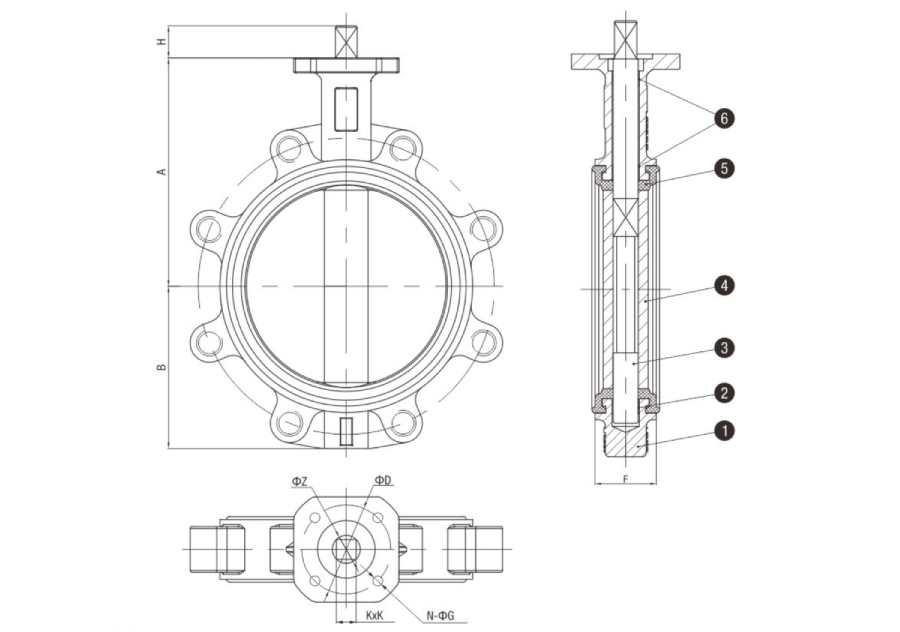
The manual lug butterfly valve with lever is a manual operated valve designed for reliable shut-off and flow control in pipelines. The valve body, available in ductile iron or stainless steel with epoxy coating, ensures excellent durability and corrosion resistance. Its lug-type design allows easy installation and enables pipeline sections to be isolated for maintenance without shutting down the entire system.
With a compact structure and lever operation, it is widely applied in water treatment plants, HVAC systems, fire protection networks, shipbuilding, and industrial water or oil pipelines for handling water, air, oil, and non-corrosive fluids. Available in sizes DN50–DN600, with pressure ratings up to PN16/150LB, this valve provides a cost-effective manual control solution for small to large-diameter pipelines.
Product Details:
| Valve Parts | Materials | |||
| Valve Body | Ductile Iron, Cast Steel (WCB), Stainless Steel (SS304/SS316) | |||
Valve Disc | Nickel-plated Ductile Iron, Stainless Steel (SS304/SS316) | |||
| Valve Seat | NBR | EPDM | FKM / Viton | PTFE |
| Operating Temperature | -20℃ ~ +80℃ | -20℃ ~ +100℃ | -10℃ ~ +180℃ | ≤180℃ |
Main Dimension:
| MM | A±3 | B±3 | ¢Z | H±1 | KxK | F±1 | Top Flange | ØD | N-OG |
|---|---|---|---|---|---|---|---|---|---|
| DN50 | 115 | 74 | 12.6 | 32 | 9×9 | 43 | F05 | 50 | 4-¢8 |
| DN65 | 132 | 82 | 12.6 | 32 | 9×9 | 46 | F05 | 50 | 4-¢8 |
| DN80 | 135 | 92 | 12.6 | 32 | 9×9 | 46 | F05 | 50 | 4-¢8 |
| DN100 | 162 | 108 | 15.77 | 32 | 11x11 | 52 | F07 | 70 | 4-¢10 |
| DN125 | 176 | 123 | 18.92 | 32 | 14x14 | 56 | F07 | 70 | 4-$10 |
| DN150 | 190 | 135 | 18.92 | 32 | 14x14 | 56 | F07 | 70 | 4-$10 |
| DN200 | 230 | 166 | 22.10 | 45 | 17x17 | 60 | F10 | 102 | 4-+12 |
| DN250 | 270 | 200 | 28.45 | 45 | 19×19 | 68 | F10 | 102 | 4-¢12 |
| DN300 | 305 | 238 | 31.60 | 45 | 22×22 | 78 | F10 | 102 | 4-¢12 |
| DN350 | 340 | 270 | 31.60 | 45 | 22×22 | 78 | F10 | 102 | 4-¢12 |
| DN400 | 400 | 310 | 33.15/37.95 | 52 | 27×27 | 102 | F14 | 140 | 4-¢18 |
| DN450 | 420 | 330 | 38.00/42.86 | 52 | 27×27 | 114 | F14 | 140 | 4-¢18 |
| DN500 | 465 | 367 | 41.15/45.70 | 64 | 36×36 | 127 | F14 | 140 | 4-¢18 |
| DN600 | 536 | 430 | 50.65/53.98 | 70 | 36×36 | 154 | F16 | 165 | 4-Ф22 |
The manual lug butterfly valve with lever is a manual operated valve designed for reliable shut-off and flow control in pipelines. The valve body, available in ductile iron or stainless steel with epoxy coating, ensures excellent durability and corrosion resistance. Its lug-type design allows easy installation and enables pipeline sections to be isolated for maintenance without shutting down the entire system.
With a compact structure and lever operation, it is widely applied in water treatment plants, HVAC systems, fire protection networks, shipbuilding, and industrial water or oil pipelines for handling water, air, oil, and non-corrosive fluids. Available in sizes DN50–DN600, with pressure ratings up to PN16/150LB, this valve provides a cost-effective manual control solution for small to large-diameter pipelines.
Product Details:
| Valve Parts | Materials | |||
| Valve Body | Ductile Iron, Cast Steel (WCB), Stainless Steel (SS304/SS316) | |||
Valve Disc | Nickel-plated Ductile Iron, Stainless Steel (SS304/SS316) | |||
| Valve Seat | NBR | EPDM | FKM / Viton | PTFE |
| Operating Temperature | -20℃ ~ +80℃ | -20℃ ~ +100℃ | -10℃ ~ +180℃ | ≤180℃ |
Main Dimension:
| MM | A±3 | B±3 | ¢Z | H±1 | KxK | F±1 | Top Flange | ØD | N-OG |
|---|---|---|---|---|---|---|---|---|---|
| DN50 | 115 | 74 | 12.6 | 32 | 9×9 | 43 | F05 | 50 | 4-¢8 |
| DN65 | 132 | 82 | 12.6 | 32 | 9×9 | 46 | F05 | 50 | 4-¢8 |
| DN80 | 135 | 92 | 12.6 | 32 | 9×9 | 46 | F05 | 50 | 4-¢8 |
| DN100 | 162 | 108 | 15.77 | 32 | 11x11 | 52 | F07 | 70 | 4-¢10 |
| DN125 | 176 | 123 | 18.92 | 32 | 14x14 | 56 | F07 | 70 | 4-$10 |
| DN150 | 190 | 135 | 18.92 | 32 | 14x14 | 56 | F07 | 70 | 4-$10 |
| DN200 | 230 | 166 | 22.10 | 45 | 17x17 | 60 | F10 | 102 | 4-+12 |
| DN250 | 270 | 200 | 28.45 | 45 | 19×19 | 68 | F10 | 102 | 4-¢12 |
| DN300 | 305 | 238 | 31.60 | 45 | 22×22 | 78 | F10 | 102 | 4-¢12 |
| DN350 | 340 | 270 | 31.60 | 45 | 22×22 | 78 | F10 | 102 | 4-¢12 |
| DN400 | 400 | 310 | 33.15/37.95 | 52 | 27×27 | 102 | F14 | 140 | 4-¢18 |
| DN450 | 420 | 330 | 38.00/42.86 | 52 | 27×27 | 114 | F14 | 140 | 4-¢18 |
| DN500 | 465 | 367 | 41.15/45.70 | 64 | 36×36 | 127 | F14 | 140 | 4-¢18 |
| DN600 | 536 | 430 | 50.65/53.98 | 70 | 36×36 | 154 | F16 | 165 | 4-Ф22 |